Précédent
Electrically Operated Isolation Switch Silo

Sectionneur à commande électrique

Normes
Exclusif à l'Amérique du Nord
750VDC-3750A
Circuit de commande typique : 125VDC-5A
750VDC-3750A
Circuit de commande typique : 125VDC-5A
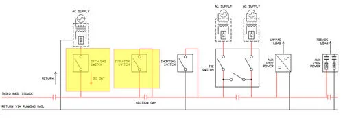
  • Electrically Operated Isolation Switch - Heavy/Light Rail Applications

    ILL-Elecrtrically-Operated-Isolation-Switch-Highlights_0
  • Electrically Operated Isolation Switch - Heavy/Light Rail Yard Applications

    Highlight-Rail-Yard-Isolation
  • Isolation switch

    Need more info?

Back to top