Précédent
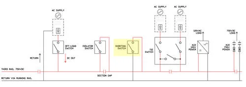
Shorting Switch Silo

Sectionneur de court-circuit

Normes
Exclusif à l'Amérique du Nord
1000VDC - 1600A
Courant de court-circuit - 70kA - 90ms
Courant de pointe nominal - 130 kA
Circuit de contrôle typique : 125V AC/DC - 120mA
1000VDC - 1600A
Courant de court-circuit - 70kA - 90ms
Courant de pointe nominal - 130 kA
Circuit de contrôle typique : 125V AC/DC - 120mA
  • Sectionneur de court-circuit

    Highlight-Rail-Applications-Shorting-Switch
Back to top